About me

Robotics Engineer with expertise in electromechanical modeling, SLAM, advanced path planning, ROS, control systems design, automation, and machine learning. Proficient in CAD modeling, adept at translating designs into functional prototypes with precision and efficiency. Demonstrated track record of developing innovative solutions in automation, ensuring optimal performance and resource efficiency. Skilled in writing flexible code tailored for solving complex problems and integrating autonomous systems.

I achieved a significant milestone by developing an automated robotic system for industrial painting, currently undergoing patent filing, which reduced energy wastage by 51% and streamlined process time by 33%. My hands-on experience extends to working with ROS and Gazebo, where I honed my skills by crafting obstacle avoidance algorithm for a TurtleBot simulator. Moreover, I successfully desgined and simulated a bipedal walking robot in SIMULINK. I boast a specialization in Deep Learning and Data Science and have certifications in Robot Operating System. See the PORTFOLIO SECTION for more details!

Publications

  • Gabbar, H.A.; Idrees, M. ARSIP: Automated Robotic System for Industrial Painting. Technologies 2024, 12, 27. https://doi.org/10.3390/technologies12020027

  • Idrees, M.; Gabbar, H.A. A hybrid optimization scheme for efficient trajectory planning of a spray-painting robot. In Proceedings of the 3rd International Conference on Robotics, Automation, and Artificial Intelligence (RAAI), Singapore, 14–16 December 2023

What i'm doing

  • Electromechanical Modelling

    Electromechanical Modelling

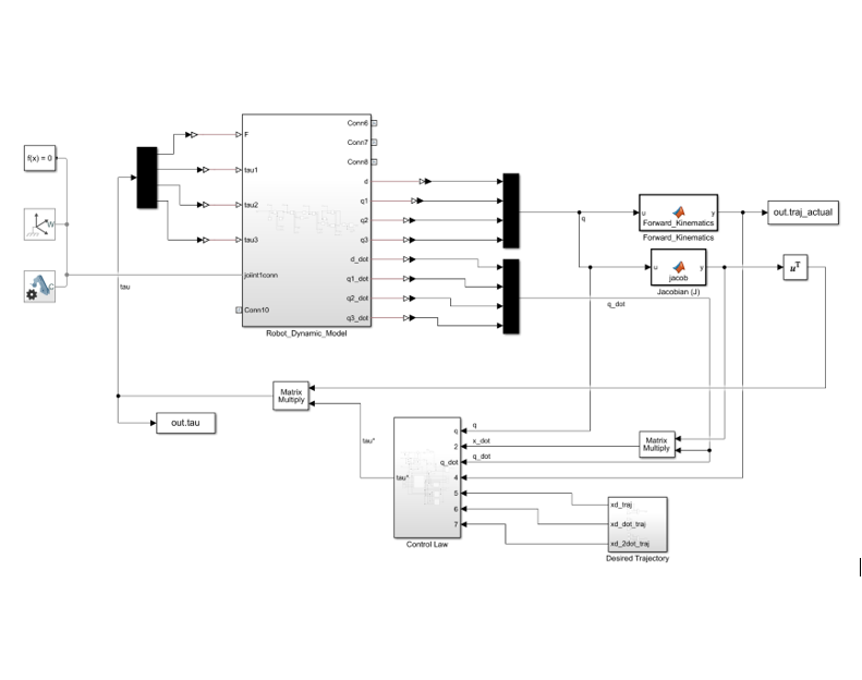
    Design and simulate any mechanical or electrical system in MATLAB & SIMULINK.

  • Robot Dynamics

    Robot Dynamics

    Solve Kinematics and dynamics of serial-link and paraller manipulators in Python and MATLAB.

  • SLAM

    SLAM

    Proficient in SLAM algorithms like GMapping, Cartographer, SLAM Toolbox, Hector SLAM.

  • ROS

    ROS

    Deep understanding of ROS1 and ROS2 topics, services, actions, launch, rviz, gazebo, nav2 etc.

  • Control Systems

    Control Systems

    Simulate Control Systems in MATLAB & SIMULINK.

  • Deep Learning

    Deep Learning

    Create custom Deep Neural Networks in Python tensorflow.

Resume

Education

  1. MSC IN ELECTRICAL AND COMPUTER ENGINEERING, ONTARIO TECH

    Jan 2022 — Jan 2024

    GPA: 4.20/4.30, Thesis: https://hdl.handle.net/10155/1718, Courses: Power Electronics, Manipulator and Mechanism Design, Machine Learning and Data Mining, Intelligent Systems Applications, Real Time Data Analytics IOT, Adaptive Control.

  2. BS IN MECHANICAL ENGINEERING, GHULAM ISHAQ KHAN INST OF ENG SCIENCES

    Aug 2016 — Sep 2020

    GPA: 3.91/4.0, Capstone: Design and Fabrication of a Bipedal Robot. Courses: Calculus, Physics, Dynamics, Control Systems, Vibrations, Robotics, Digital Logic Design, Microprocessor Systems, Design of Machines, Mechanism Design, Finite Element Methods, Stress Analysis, Thermodynamics, Heat Transfer, Project Management, Total Quality Management.

  3. NON-DEGREE CULTURAL EXCHANGE, UNI OF MISSOURI COLUMBIA, USA

    Jan 2019 — May 2019

    A Cultural Exchange Semester sponsored by IREX and UGRAD. Courses: American History, College Seminar, Internship and Career Exploration. Presented my country and did community service work in a Food Bank

Experience

  1. GRADUATE RESEARCH ASSISTANT, ONTARIO TECH

    Jan 2022 — Jan 2024

    1. Designed a 3D scanner and Calibrator to register point clouds of complex surfaces using an RGBD sensor with 95% capture accuracy.
    2. Developed a novel hybrid trajectory optimization algorithm and programmed it in Python reducing energy and process time by 51% and 33%.
    3. Developed a ROS and Python based software framework with an integrated web-based HMI/GUI for user control.
    4. Designed the integrated system in SolidWorks, simulated it in Python, tested and debugged the prototype in real-time.
    5. Analysed industrial robot post-processors in RoboDK to convert the trajectory to robot programs.
    6. Paid industry visits and demonstrated the system to see how it can be extended to industrial robots like FANUC, KUKA, ABB
  2. Engineering Intern Controls & Instrumentation, GIKI

    June 2019 — Aug 2019

    1. Designed a low-cost control system for early failure detection of a power transformer using GSM, GNSS, Arduino, Thermocouple & SONAR.
    2. Designed a low-cost 3 phase PWM inverter for a force-controlled linear actuator & simulated it in Proteus

  3. Student Ambassador, U.S. Department of State

    Jan 2019 — May 2019

    1. Presented my country in Missouri to bridge cultural gaps.
    2. Participated in volunteer work to help the local community, wrote personal blogs, and attended festivals to celebrate cultural diversity.

My skills

  • Robotics & ROS
    95%
  • SLAM
    95%
  • Machine Learning
    95%
  • Control Systems
    90%
  • Programming
    90%
  • MATLAB SIMULINK
    90%

Portfolio

Blog